ZX9501SA系列 绝缘耐压测试仪(带接触检查) 概述
ZX9501SA系列绝缘耐压测试仪采用800*480彩色液晶显示屏,其输出电压的大小、输出电压的上升、测试、下降时间、输出电压的频率完全由MCU控制,能实时显示击穿电压的电流值和电压值,全系列仪器都具有电弧侦测功能和测试线接触检查功能。
ZX9501SA系列绝缘耐压测试仪独特的测试线接触检查功能,解决了用户”因测试线断线造成的不良品误判”的困扰,可广泛应用于耐压测试的半自动或自动化生产线上,大大提高产品测试的可靠性。
ZX9501SA系列 绝缘耐压测试仪(带接触检查) 产品特点
● 中英文操作界面
● 列表显示功能,多步结果一屏显示
● 键盘锁功能,关机自动保存测试条件
● 开短路侦测功能(OSC)
● 测试线接触检查功能
● 不良品声光报警功能
● 快速放电功能
● 电弧侦测功能,电流、等级两种模式可选
● 人体防触电保护功能(GFI)
● 任意设定电压上升时间、测试时间、下降时间
● 支持U盘和内部文件保存
● 电流底数清零功能
● 可通过U盘更新仪器软件
订购信息
● ZX9501SA-4:带4路扫描功能交直流绝缘耐压测试仪,带测试线接触检查功能。
● ZX9501SA-8:带8路扫描功能交直流绝缘耐压测试仪,带测试线接触检查功能。
● ZX9501SA-16:带16路扫描功能交直流绝缘耐压测试仪,带测试线接触检查功能。
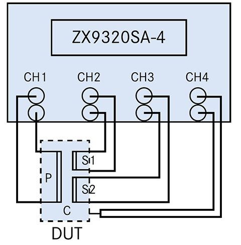
性能特点触检查功能的测试应用举例
要测量一只电源变压器(DUT)的耐压性能,测量项目如下:
(1)初级绕组P - 次级绕组S1、次级绕组S2:AC耐压测试
(2)初级绕组P、次级绕组S1、次级绕组S2 - 磁芯C:AC耐压测试
(3)要有测试线接触检查功能,防止测试线断线引起误判。
接线方法如下图所示:

在测试前,ZX9501SA系列耐压测试仪先进行测试线的接触检查,如果检测到测试线断线或接触不良,则仪器会报警提示”CHECK FAIL”(测试线接触不良),并终止测试。如果接触检查通过,则继续进行后面的耐压测试。
ZX9501SA系列 绝缘耐压测试仪(带接触检查) 技术参数
型号 | ZX9501 | ZX9501S | ZX9501B | ZX9501C | ZX9502 | |
耐压测试 | ||||||
输出电压 | AC | 0.05kV~5kV ±(1.0%读数+5个字)(50Hz、60Hz可 选) | 0.05kV~10kV±(1.0%读数+5个字)(50Hz、 60Hz可选) | |||
DC | 0.05kV~6kV ±(1.0%读数+5个字) | ------ | 0.05kV~10kV±(1.0%读数+5个字) | |||
电压调整率 | ≤(1.0%+10V)(额定功率) | |||||
电流测试范围 | AC | 0.1mA~30mA | 0.1mA~20mA | 0.1mA~20mA | ||
DC | 0.01mA~10mA | 0.01mA~5mA | ------ | 0.1mA~5mA | ||
测试精度 | ±(1.0%读数+5个字) | ------ | ±(1.0%读数+5个字) | |||
放电功能 | 测试结束后自动放电(DCW) | ------ | 测试结束后自动放电(DCW) | |||
绝缘电阻测试 | ||||||
输出电压 | 0.05kV~1kV ±(1.0%读数+2V) | ------ | 0.05kV~1kV ±(1.0%读数+2V) | |||
电阻测试范围 | 0.1MΩ~10GΩ.(电流范围在 10nA~10mA) | ------ | 0.1MΩ~10GΩ.(电流范围在10nA~10mA) | |||
电阻测试精度 | 500V~1000V | 1MΩ~1GΩ±(5%读数+5个字) | ------ | 1MΩ~1GΩ±(5%读数+5个字) | ||
1GΩ~10GΩ±(10%读数+5个字) | 1GΩ~10GΩ±(10%读数+5个字) | |||||
50V~500V | 0.1MΩ~1GΩ±(10%读数+5个字) | ------ | 0.1MΩ~1GΩ±(10%读数+5个字) | |||
放电功能 | 测试结束后自动放电 | ------ | 测试结束后自动放电 | |||
电弧侦测 | ||||||
测量范围 | AC | 1~9级(出厂默认为5) (对应电流:20mA,18mA,16 mA, 14 mA, 12 mA, 10 mA, 7.7 mA, 5.5 mA, 2.8 mA) | ||||
DC | 1~9级 | 1~9级 | ------ | 1~9级 | ||
一般参数 | ||||||
八路矩阵扫描器 | ------ | 有 | ------ | ------ | ||
存储器 | 120组,每组100步 | |||||
电压上升时间 | 0.1s~999s | |||||
电压跌落时间 | 0.1s~999s | |||||
电压等待时间 | 0.1s~99.9s(仅直流) | |||||
测试时间设定 | 0.3s~999s | |||||
接口 | ||||||
标配 | RS232、USB、HANDLER、REMOTEI/O | |||||
选件 | GPIB、SCAN | |||||