CZ 磁粉制动器
磁粉制动器、磁粉离合器是一种性能优越的自动控制元件。它以磁粉为工作介质,以激磁电流为控制手段,达到控制制动转矩或传递转矩的目的。其输出转矩与激磁电流呈良好的线性关系,而与转速或滑差无关,并具有响应速度快、结构简单等优点。
用于张力自动控制系统,磁粉制动器、磁粉离合器与我公司生产的ZK型自动张力控制仪及张力检测传感器配套,可组成自动闭环张力控制系统,广泛应用于印刷、包装、造纸及纸品加工、纺织、玻璃纤维、电线电缆橡胶皮革、金属箔带加工等设备。
用于转矩转速功率测试系统。磁粉制动器、磁粉离合器与我公司生产的转矩转速传感器、转矩转速功率测量仪配套,可组成成套转矩转速功率测试系统,广泛应用于动力机械、传动机械输入、输出的转矩、转速、功率、效率的动态和静态的检测磁粉离合器还用于缓冲起动、过载保护、调速等。
按类型可分为:
1、磁粉制动器分为:CZ-型机座式安装、CZF-型法兰式安装、CZK-型空心轴式安装、CZKX-型空心轴外壳旋转式安装
2、磁粉离合器分为:CJ-型机座式安装、CJF-型法兰式安装、CJKX-型空心轴外壳旋转式安装、CJS-型水冷式安装、CZKS-型空心轴双冷磁粉制动器。
磁粉制动器的选型:
磁粉制动器、磁粉离合器的选型一般先计算额定转矩,再计算额定转速:1、用于模拟负载和传递转矩的选型计算公式:9550(系数)*滑差功率(KW)/额定转矩(Nm)=额定转速(r/min) 2、用于张力控制系统的选型计算公式:卷取物料需要张力(N)*收(放)卷筒最大半径(m)=磁粉制动器额定转矩(Nm) 9550(系数)*滑差功率(KW)/额定转矩(Nm)=额定转速(r/min)
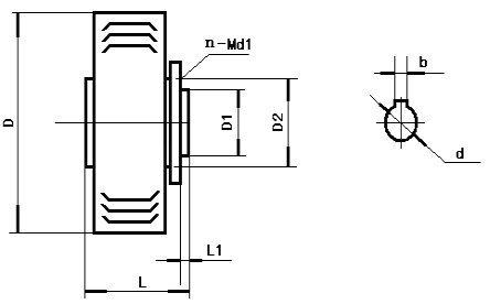
安装尺寸
1、CZ型 机座式磁粉制动器

型号 | 技术参数 | 安 装 尺 寸 | |||||||||||||
额定 转矩 N.m | 激磁 电流 A | 滑差 功率 KW | 冷却 方式 | d | H1 | H | L | L1 | L2 | L3 | L4 | L5 | d1 | b | |
CZ-0.2 | 2 | 0.6 | 0.15 | 自冷 | 9 | 55 | 105 | 103 | 20 | 32.5 | 26 | 100 | 115 | 5.5 | 削平 |
CZ-0.3 | 3 | 0.6 | 0.04 | 自冷 | 12 | 55 | 99 | 78 | 20 | 12 | 16 | 74 | 88 | 7 | 4 |
CZ0.5 | 6 | 0.5 | 0.3 | 自冷 | 12 | 72 | 131 | 79 | 20 | 5 | 46 | 100 | 120 | 7 | 4 |
CZ-1 | 10 | 0.6 | 0.8 | 水冷 | 12 | 100 | 188 | 140 | 26 | 11 | 70 | 155 | 180 | 9 | 4 |
CZ-1-K | 10 | 0.6 | 0.35 | 自冷 | 12 | 90 | 166 | 120 | 26 | 11 | 70 | 155 | 180 | 9 | 4 |
CZ-2 | 20 | 0.6 | 1.2 | 水冷 | 18 | 120 | 220 | 160 | 30 | 20 | 78 | 155 | 185 | 11 | 6 |
CZ-2-K | 20 | 0.6 | 0.4 | 自冷 | 18 | 100 | 186 | 124 | 30 | 14 | 70 | 155 | 180 | 9 | 6 |
CZ-5 | 50 | 0.8 | 1.0 | 水冷 | 22 | 150 | 260 | 174 | 35 | 9 | 110 | 185 | 225 | 11 | 6 |
CZ-10 | 100 | 1 | 3.0 | 水冷 | 30 | 165 | 300 | 221 | 55 | 37.5 | 100 | 185 | 220 | 13 | 8 |
CZ-20 | 200 | 2 | 4.0 | 水冷 | 35 | 180 | 330 | 233 | 60 | 30 | 125 | 268 | 300 | 13 | 10 |
CZ-30 | 300 | 2.5 | 5.0 | 水冷 | 45 | 210 | 385 | 270 | 70 | 23 | 150 | 300 | 350 | 13 | 14 |
CZ-40 | 400 | 2.5 | 5.0 | 水冷 | 45 | 210 | 385 | 270 | 70 | 23 | 150 | 300 | 350 | 13 | 14 |
CZ-50 | 500 | 2.5 | 10 | 水冷 | 60 | 240 | 440 | 324 | 100 | 19 | 180 | 340 | 400 | 17 | 18 |
CZ-100 | 1000 | 2.5 | 18 | 水冷 | 60 | 280 | 522 | 478 | 100 | 31 | 220 | 430 | 500 | 17 | 18 |
CZ-200 | 2000 | 3 | 25 | 水冷 | 75 | 325 | 610 | 554 | 110 | 50 | 250 | 520 | 600 | 22 | 20 |
CZ-500 | 5000 | 3 | 40 | 水冷 | 90 | 430 | 818 | 662 | 140 | 50 | 320 | 600 | 700 | 22 | 25 |
CZ-1000 | 10000 | 4 | 50 | 水冷 | 120 | 600 | 1125 | 710 | 160 | 40 | 360 | 900 | 1030 | 26 | 32 |
CZ-2000 | 20000 | 5 | 75 | 水冷 | 155 | 725 | 1545 | 900 | 180 | 105 | 400 | 1300 | 1450 | 34 | 40 |
2、CZF型 法兰式磁粉制动器

型 号 | 技 术 参 数 | 安 装 尺 寸 | ||||||||||||
额定 转矩 N.m | 激磁 电流 A | 滑差 功率 W | 冷却 方式 | d | D | D1 | D2 | L | L1 | L2 | L3 | d1 | b | |
CZF-0.3 | 3 | 0.6 | 40 | 自冷 | 12 | 88 | 80 | 47 | 75 | 20 | 12 | 5.5 | 4 | 4 |
CZF-0.6 | 6 | 0.6 | 80 | 自冷 | 12 | 118 | 62 | 52 | 75 | 20 | 10 | 6.5 | 6 | 4 |
CZF-1.2 | 12 | 1 | 120 | 自冷 | 15 | 152 | 65 | 50 | 141 | 30 | 24 | 20 | 6 | 5 |
CZF-2.5 | 25 | 1.6 | 200 | 自冷 | 20 | 188 | 78 | 62 | 160 | 40 | 29 | 23 | 6 | 6 |
CZF-5 | 50 | 0.8 | 1000 | 水冷 | 25 | 220 | 100 | 74 | 178 | 50 | 24 | 10 | 6 | 8 |
CZF-10 | 100 | 2.5 | 3000 | 水冷 | 30 | 270 | 140 | 100 | 229 | 55 | 35 | 30 | 10 | 8 |
CZF-20 | 200 | 2 | 4000 | 水冷 | 35 | 300 | 150 | 110 | 224 | 60 | 30 | 28 | 10 | 10 |
CZF-30 | 300 | 2.5 | 5000 | 水冷 | 45 | 350 | 195 | 165 | 287 | 95 | 17 | 5 | 10 | 14 |
CZF-40 | 400 | 3 | 5000 | 水冷 | 45 | 350 | 195 | 165 | 287 | 95 | 17 | 5 | 10 | 14 |
CZF-50 | 500 | 2.5 | 6000 | 水冷 | 60 | 400 | 200 | 175 | 327 | 100 | 21 | 4 | 13 | 18 |
3、CZK-型 空心轴式安装磁粉制动器

技术参数及安装尺寸
型 号 | 技 术 参 数 | 安 装 尺 寸 | ||||||||||
额定转矩N.m | 激磁电流A | 滑差 功率 W | 冷却方式 | d | D | D1 | D2 | L | L1 | d1 | b | |
CZK-0.3 | 3 | 0.6 | 40 | 自冷 | 15 | 88 | 80 | 47 | 50 | 9 | 3-M4 | 5 |
CZK-0.6 | 6 | 0.6 | 80 | 自冷 | 16 | 118 | 62 | 52 | 49 | 2 | 6 | 5 |
CZK-1.2 | 12 | 1 | 120 | 自冷 | 20 | 152 | 80 | 72 | 74 | 6 | 4 | 6 |
CZK-2.5 | 25 | 1 | 250 | 自冷 | 25 | 172 | 105 | 90 | 70 | 3 | 6 | 8 |
CZK-5 | 50 | 1 | 450 | 自冷 | 30 | 220 | 130 | 110 | 84 | 3 | 8 | 8 |
CZK-10 | 100 | 1.2 | 3000 | 水冷 | 40 | 270 | 182 | 135 | 136 | 4 | 10 | 12 |
CZK-20 | 200 | 1.6 | 4000 | 水冷 | 45 | 300 | 220 | 180 | 139 | 5 | 10 | 14 |
CZK-30 | 300 | 2 | 5000 | 水冷 | 50 | 350 | 195 | 165 | 180 | 5 | 10 | 14 |
CZK-40 | 400 | 2 | 5000 | 水冷 | 50 | 350 | 195 | 165 | 180 | 5 | 10 | 14 |
CZK-50 | 500 | 1.6 | 10000 | 水冷 | 50 | 400 | 200 | 175 | 212 | 8 | 12 | 14 |
CZK-100 | 1000 | 3 | 12000 | 水冷 | 60 | 480 | 210 | 185 | 246 | 8 | 12 | 18 |
4、CZKX-型 空心轴外壳旋转式安装磁粉制动器

技术参数及安装尺寸
型号 | 技 术 参 数 | 安 装 尺 寸 | ||||||||||
额定转矩 N.m | 激磁电流 A | 滑差功率 W | L | L1 | D | D1 | D2 | d | n | d1 | b | |
CZKX-2.5 | 25 | 0.8 | 300 | 102 | 5 | 196 | 100 | 140 | 20 | 3 | 10 | 6 |
CZKX-5 | 50 | 1 | 600 | 115 | 5 | 230 | 110 | 150 | 30 | 3 | 10 | 8 |
CZKX-10 | 100 | 1.2 | 800 | 142 | 5 | 280 | 120 | 150 | 35 | 6 | 10 | 10 |
CZKX-20 | 200 | 1.5 | 1000 | 179 | 6 | 346 | 160 | 240 | 45 | 6 | 10 | 14 |
产品特点
1、激磁电流—转矩特性:
激磁电流与转矩呈良好线性关系,通过调节激磁电流可以无极控制转矩的大小。
其特性如图A所示。

2、转速—转矩特性:
转矩与转速无关,保持定值。静力矩和动力矩没有差别。其特性如图B所示。

3、负载特性:
磁粉制动器、离合器的允许滑差功率,在散热条件一定时,是定值。其连续运行时,实际滑差需在允许滑差功率以内。使用转速高时,需降低力矩使用。其特性如图C所示。

使用注意事项:
1、磁粉制动器、离合器用直流电作激磁电源。建议使用我公司生产的WLK控制器。
2、磁粉制动器、离合器传动轴水平安装;传动轴与联轴节的安装精度为H8/f8;禁止用铁锤敲击装配;传动轴和与其对接的轴的安装同轴度为+0.03mm。
3、磁粉制动器、离合器在运输过程中,常使磁粉聚集到某处,可能会出现“卡死”现象,可将制动器整体翻动,使磁粉松散开来,或用杠杆撬动。为了防止运输中磁粉沉淀,CZ-50以上磁粉制动器在测试后将磁粉倒出来另装,可在跑合过程中将磁粉从磁粉孔逐渐注入。
4、水冷磁粉制动器先通水后运转。水压1.5~3kg,不得超过。定子进水口在下,出水口在上。转子进水口在中心,出水口在中心下面,转子出水管安装不得高于出水口。
5、磁粉制动器、离合器不支持使用径向承受主传动力的安装方式。如悬臂安装皮带轮、齿轮等(见图1)。支持使用连轴节安装方式(见图2)。如的确需安装齿轮及皮带轮传动,建议轴端增加支承(见图3)。

6、磁粉制动器、离合器**使用前,通以30%的额定电流,运转10秒钟后断电再通电,反复几次,保证磁粉流动性和均匀分布。
7、磁粉制动器、离合器不能超转矩、转速使用,否则磁粉寿命会急剧下降,或者出现漏粉、卡死现象。
8、转子水冷却的磁粉制动器、离合器,使用一段时间后,其水封磨损,水盖下方的水封密封监视孔会出现滴水现象,提醒水封已经开始泄漏,尚未严重泄漏,应立即更换水封。注意不能堵塞水封密封监视孔滴水,以防水向内部渗漏。
9、如需更换磁粉,请按以下步骤操作,打开磁粉制动器、离合器,取出转子,去掉老磁粉,用沙纸打磨,软纸檫干净工作表面,更换羊毛毡、轴承,装进新磁粉即可。更换磁粉应根据规格型号确定磁粉量和目数。
10、磁粉制动器、离合器如长期不用,需每月开机5分钟,调节激磁电流,使转矩在0—额定转矩之间上下两个循环,以保持磁粉干燥不结块。
11、磁粉制动器、离合器在使用过程中,如发现没有转矩、转矩下降、卡死现象,可按以下方法排除:
a、没有转矩。
检查有无激磁电流。如没有激磁电流,请恢复激磁电流。
检查线圈有无接壳或短路。如有接壳或短路现象,请更换线圈。
检查磁粉腔是否进水或者进油。如磁粉腔进水或者进油,请打开磁粉制动器,去除老磁粉,檫干净磁粉制动器内腔,装进新磁粉。
b、转矩下降。
如在正常工作6000小时后转矩下降,请更换磁粉。
如在正常工作6000小时内转矩下降,是因为超转矩、转速使用,磁粉寿命急剧下降。请更换磁粉。
c、磁粉制动器卡死。
如使用时突然卡死,是因为超转矩、转速使用后产生高温,使密封件失去弹性,密封性能降低,磁粉漏进轴承卡死,或者磁粉高温结块卡死。请更换轴承、密封件、磁粉。如长期停用后开机卡死,是因为磁粉氧化结块卡死。请更换磁粉。
12、磁粉制动器、离合器需跟WLK加载控制器配合使用,用于提供激磁电流。