角位变送器KINAX HW730系列,独特的专利电容测量方法,**测量值始终可用,无需耗时的参考运行,坚固的设计适合恶劣的环境。
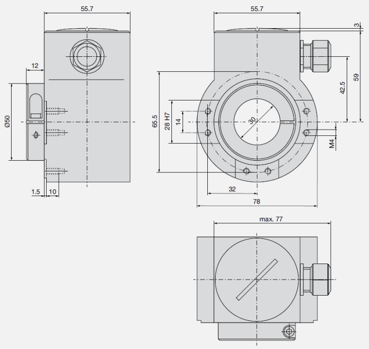
KINAX HW730可编程空心轴变送器用于重载应用的角位置,直径78mm。
将轴角位置转换为负载无关直流信号,该信号与角轴位置对应成比例。
产品特点
• 经久耐用的角位置变送器适用于众多领域
• 高级别机械和电子安全
• 电容扫描系统通过验证
• 通过一个开关和两个按键可调测量范围,旋转方向,零点位置和线性/V特性
• 零点位置和最终位置独立可调
• 没有磨损,低的年度维修费用以及在任何地点可安装
• 振动和抗冲击
• 模拟输出信号4...20mA,2线连接
• 电容扫描系统在激活后即刻提供**位置
• 适用于远洋船舶符合GL标准
技术数据
• 测量范围: 自由可编程在0...360°内
• 测量输出: 4...20mA,2线连接
• 供电电源: 12...30V DC(防止极性错误)
• 输出变量I 负载无关DC电流,与输入角度对应成比例
• 可重现性:< 0.1°
• 精度: 错误极限≤±0.35°(在参考条件下)
• 旋转方向: 顺时针或逆时针旋转方向可调
• 电连接: 弹簧式接线端子或插塞接头M12,4极
• 起动转矩:最大0.7Nm
• 空隙影响:±0.1%
• 空心轴直径: 30mm,减少到10,12,16或20mm
• 安装位置: 任意
• 材料: 外壳:铝阳极电镀,轴:防锈处理,硬化钢
• 连接: 金属电缆压盖或插头金属(M12/4极)
• 重量: 约重820g
环境条件及符合标准
• 气候等级:标准(Non-Ex):温度– 40 … +85 °C,防爆保护:温度– 40 … +70 °C,相对湿度≤95%,不凝结
• 外壳保护:IP67符合EN60529标准,IP69k符合EN40050-9标准
• 抖动:IEC 60 068-2-6, 100 m/s 2 / 10 … 500 Hz
• 震动:IEC 60 068-2-27, ≤1000 m/s 2 / 11 ms
• 电磁适应性:标准适用于抗扰度EN61000-6-2和观察干扰发射EN61000-6-4
编程
变送器通过开关和按键进行编程。打开顶盖后可将编程可视化。
零点位置和终点位置通过按键可分别编程。旋转方向和输出曲线形状(线性或V特性)可以通过DIP开关自由编程。

附件

文件记录

认证

外形尺寸
