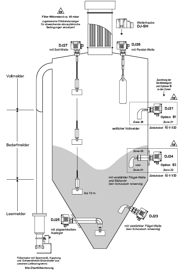
德国MOLLET阻旋料位开关加强轴型DJ23在所有的大宗物料测量中作为筒仓和开放仓的满、空等需求的指标。 独立的单元配置提供了许多选择和广泛的配件能够准确地适应具体的应用。
阻旋限位控制器加强轴型设计可以有效的防止探杆变形,即使有一般性的散装物料的冲击,也无需加装保护罩,这是优于同类进口产品*突出的特点。

工作原理



技术参数
增强叶片轴的过程连接螺纹G1¼“和G1½”
应用范围
粮食筒仓,谷物粉磨机,饲料装置,水泥,混凝土搅拌设备,沙子,卵石,砂砾,球团矿木材,木材废料,木头碎片,筒仓散装货物,料仓,塑料筒仓,大型筒仓,容器,卸出输送管,输送机,升降机,输送机传送带,装卸设备,加载料仓,除尘器灰斗,聚乙烯料位开关,粮食物位计,硅酸盐料位仪,珍珠岩料位控制器,咖啡粉料位计,西门子料位计,粉状炭黑储罐料位仪,粉罐料位开关,聚乙烯颗粒料位开关,感应式料位开关,水泥厂料位开关,烟草料位开关,小麦料位计,可可粉料位仪,飞灰料位控制器,飞灰料位计,飞灰料位开关,飞灰物位计,飞灰物位开关,稻壳灰料位,白炭黑,料位,磨细矿渣粉,硅灰,铁灰,沸石粉,活性炭
