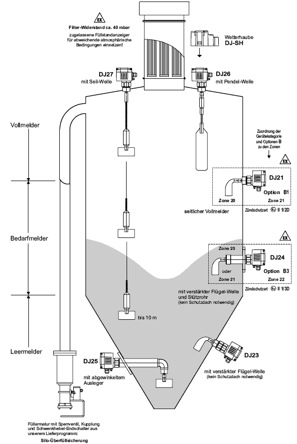
德国MOLLET阻旋料位仪(阻旋式料位开关)缆轴式DJ27是在几乎所有的大宗物料作为筒仓和垃圾箱满,空或需求的指标。 独立的单元配置提供了许多选择和广泛的配件能够准确地适应具体的应用。
产品特点:
• 缆式绳轴*大长度10米的
• 不受压力,温度,灰尘,结块,物料的导电性影响
• 适用于危险区域
• 应用范围广
• 性价比高
• 高可靠性
• 免维护操作
• 安装方便
工作原理




应用范围
阻旋料位计DJ27是一个电缆轴的限位开关散装固体粉状,粒状和粗粒度的。 可靠和准确的报告的阻旋料位计DJ27在各种应用中的*小或*大值点水平。 因此,这些限位开关用于在许多行业中:
• 全面检测通过ATEX认证的家具制造商的木屑料仓
• 在PVC生产干混筒仓进行全面检测
• 烘焙配料进行全面检测淀粉筒仓
• 全面检测鱼粉筒仓鱼食
粮食筒仓,谷物粉磨机,饲料装置,水泥,混凝土搅拌设备,沙子,卵石,砂砾,球团矿木材,木材废料,木头碎片,筒仓散装货物,料仓,塑料筒仓,大型筒仓,容器,卸出输送管,输送机,升降机,输送机传送带,装卸设备,加载料仓,除尘器灰斗,聚乙烯料位开关,粮食物位计,硅酸盐料位仪,珍珠岩料位控制器,咖啡粉料位计,西门子料位计,粉状炭黑储罐料位仪,粉罐料位开关,聚乙烯颗粒料位开关,感应式料位开关,水泥厂料位开关,烟草料位开关,小麦料位计,可可粉料位仪,飞灰料位控制器,飞灰料位计,飞灰料位开关,飞灰物位计,飞灰物位开关,稻壳灰料位,白炭黑,料位,磨细矿渣粉,硅灰,铁灰,沸石粉,活性炭
