人工电源网络又称电源阻抗稳定网络LISN J3000完全满足GJB151B-2013和MIL-STD-461E-1999中要求的零部件与电源隔离,测量车辆、船舶和内燃机的干扰特性。阻抗完全满足标准规定。EUT连接到面板的OUTPUT输出端,电源端口连接到面板INPUT输入端。EMI测量端口为SHV-BNC接口。
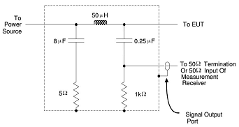
原理图:

技术参数 | |
符合标准:GJB151B-2013& MIL-STD-461E-1999 | |
测试电压Vmax | 6000V(DC~60Hz) |
测试电流Imax | 3000A (DC~60Hz) |
测试端子 | SHV-BNC型 |
电感 | 50uH |
耦合电容 | 0.25uF |
阻抗频率范围 | 10kHz~10MHz |
通用参数 | |
机箱尺寸* | 1816*960*1076mm(长*高*宽) |
仪器重量* | 约430Kg |
环境温度 | 15-35℃ |
环境湿度 | 45% - 75% |
气压范围 | 86kPa – 106kPa |
随机标配 |
主机1台、说明书、检测报告 |
产品标准