CN 200耦合变压器是使用方便的耦合装置,含两个音频变压器和一个可配置的0.5Ω/250W的负载电阻,符合FMC1278-2016 CI250关于地偏移测试系统的要求。
特点:
> 频率范围2kHz-100kHz> EUT最大电流为50A
> 变压器低温升,节能低碳环保
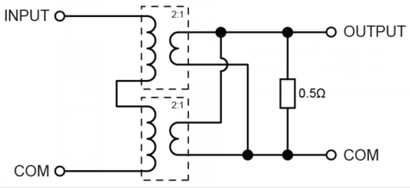
标准原理图:

技术参数 | |
频率范围 | 2kHz-100kHz |
EUT电流 | Max 50A AC/DC |
音频功率 | 200W |
变压比 | 4:1 |
通用参数 | |
外观尺寸 | 19英寸、4U机箱 |
仪器重量 | 20kg |
温度范围 | 15-35℃ |
湿度范围 | 45% - 75% |
气压范围 | 86kPa – 106kPa |
产品标准