管段式原油在线含水分析仪是我公司结合多年油田产品研制生产经验,于2007年底研发成功的放射性仪表替代产品,现已在各大油田投入批量使用,用于中转站和联合站原油含水率的在线测量。
2009年我们针对化工类市场,推出了微量含水测量产品,可测量成品油、苯类及其它有机液体中水份的含量,仪器的测量分辨率达到0.01%,温度稳定度达到0.002%FS/℃。

图1:产品外观结构 图2:产品尺寸图
●采用双射频原理,非接触测量,无活动部件,既保证了很高的测量分辨率,又具有很强的油品适应性;
●内置温度传感器,仪器无需外接温度变送器便可进行温度测量显示和对含水率测量结果进行温度补偿;
●支持中英文界面显示和不开盖触控操作;
●RS485/MODBUS智能通信接口,支持数据远传和软件现场升级;
●产品无机械活动部件,加上防粘油的表面处理工艺,确保仪器长期工作可靠和免维护运行;
●安装方便快捷,无前后直管段的要求,对流态流速不敏感。
工作电源:18~28 V DC | 测量介质:油、水混合介质 |
通信接口:RS485/ModBus RTU | 分辨率:0.01% |
电流输出:4~20mA | 量程:0%~3%,精度:±0.1% |
电气连接:M20内螺纹 | 量程:3%~10%,精度:±0.5% |
设计压力:1.6/2.5/4.0/6.3 MPa | 量程:10%~100%,精度:±1.5% |
介质温度:0~160℃ | 本地显示:液晶显示 |
环境温度:-40 ~ 70℃ | 接液材质:不锈钢加聚四氟乙烯组合 |
防爆等级:ExdbⅡCT6 Gb | 安装地点:交接口/外输管线 |
防护等级:IP66 | 安装方式:垂直安装,法兰规格DN80~DN350 |
●原油含水率的在线测量,包括高含水、低含水原油和外输原油的圆形管线;
●成品油、机油、润滑油、变压器油及化工产品的微量水分在线测量;
●其它腐蚀性极强的含水液体介质。

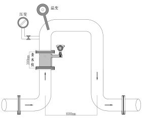
图3:安装方式示意图
