杭州米科传感技术有限公司
MIK-RD908/909智能高频雷达水位计

查看原图
关注:1335
型号:MIK-RD908/909
产地:杭州

米科MIK-RD908雷达水位计,26G高频系列可用于需要发射角度小精度高的场合,一般5米以上用。

雷达水位计天线发射极窄的微波脉冲,雷达波以光速在空间传播,遇到被测介质表面,其部分能量被反射回来,被同一天线接收。发射脉冲与接收脉冲的时间间隔与天线到被测介质表面的距离成正比。

米科雷达液位计家族

米科MIK-RD908/909智能高频雷达水位计特点

产品应用

雷达液位计应用场合

雷达液位计现场应用

产品特点

雷达液位计产品特点

米科MIK-RD908/909智能高频雷达水位计密封防水接头

米科MIK-RD908/909智能高频雷达水位计304不锈钢喇叭口

米科MIK-RD908/909智能高频雷达水位计增强信号板

产品参数

MIK-RD908/909产品参数

产品选型

产品选型须知.jpg

本产品适用于非防爆场合,如需防爆产品需特殊注明

产品尺寸

雷达液位计表头尺寸

产品安装

米科雷达液位计产品安装

米科雷达液位计安装在平顶锥形罐体

米科雷达液位计测量料堆时

米科MIK-RD908/909智能高频雷达水位计安装注意事项

米科MIK-RD908/909智能高频雷达水位计罐顶安装

米科MIK-RD908/909智能高频雷达水位计反射板安装

米科MIK-RD908/909智能高频雷达水位计天线安装

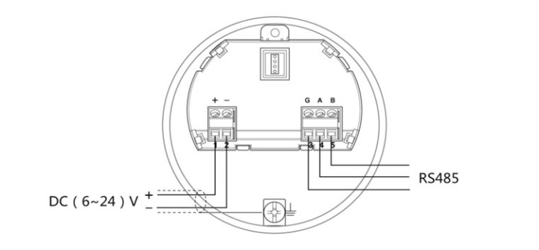
产品接线

米科雷达液位计485接线

米科MIK-RD908/909智能高频雷达水位计220V四线制安装

米科MIK-RD908/909智能高频雷达水位计24V两线制接线图

产品发布日期:2026.02.02
杭州米科传感技术有限公司