
XPL-1500/XPL-1503/XPL-1530透反射偏光显微镜主要用于鉴别具有双折射特性的物质,是药理学、地质学和机械、冶金等部门用来研究结晶、矿物、岩石和金相组织的重要工具。产品配置无应力平场消色差物镜与大视野目镜,高精度偏光载物台,优良的偏振观察附件等。可在透射偏光、反射偏光与透/反射偏光状态下获得良好的显微图像,仪器机械性能优良,观察舒适,操作方便,是厂矿企业、科研院所进行检测、研究与教学的理想仪器。
性能特点▲可选透射照明,落射照明或者透反射照明。
▲配置无应力平场物镜(中心可调)与大视野目镜。
▲粗微动同轴调焦机构,粗动松紧可调,带限位锁紧装置,微动格值: 2μm。
▲旋转式载物台,360°等分刻度,游标格值6',中心可调,带锁紧装置,工作台垂直有效行程可达30mm。
▲6V20W卤素灯照明,亮度可调。







标准配置
| 型号 | XPL-1500 (透射照明) | XPL-1530 (透反射照明) | XPL-1503 (反射照明) | ||
| 目镜 | 大视野 WF10X (Φ18mm) | ||||
| 分划目镜 10X (Φ18mm) 0.10mm/div | |||||
| 物镜 (中心可调) | 无应力平场消色差物镜(盖玻片:0.17mm)PL 4X/0.10 | 无应力平场消色差物镜(无盖玻片) PL 5X/0.12 | |||
| 无应力平场消色差物镜(盖玻片:0.17mm)PL 10X/0.25 | 无应力平场消色差物镜(无盖玻片)PL L 10X/0.25 | ||||
| 无应力平场消色差物镜(盖玻片:0.17mm)PL 40X/0.65 (弹簧) | 无应力平场消色差物镜(无盖玻片)PL L40X/0.60 (弹簧) | ||||
| 无应力平场消色差物镜(盖玻片:0.17mm)PL 60X/0.85 (弹簧) | 无应力平场消色差物镜(无盖玻片)PL L 60X/0.75 (弹簧) | ||||
| 反射照明 | 起偏器 | 可旋转 | |||
| 光源 | 6V 20W 卤素灯,亮度可调 | ||||
| 透射照明 | 起偏器 | 可360°旋转,有0、90、180、270四个读数 | |||
| 集光器 | 卤素灯照明适用 | ||||
| 光源 | 6V 20W 卤素灯,亮度可调 | ||||
| 阿贝聚光镜 | N.A. 1.25 可上下升降 | ||||
| 目镜筒 | 三目镜,倾斜30˚,可进行100%透光摄影 | ||||
| 中间接筒 | 内置检偏器, 可自由切换正常观察与偏光观察,90°旋转,带刻度,游标格值12' | ||||
| 推入式勃氏镜,中心可调 | |||||
| λ补偿器 | |||||
| λ/4 补偿器 | |||||
| 石英锲补偿器 | |||||
| 转换器 | 四孔(外向式滚珠内定位) | ||||
| 调焦机构 | 粗微动同轴调焦, 微动格值:2μm,带锁紧和限位装置 | ||||
| 载物台 | 旋转式载物台,直径:Φ150mm,360°等分刻度,游标格值6',中心可调,带锁紧装置 | ||||
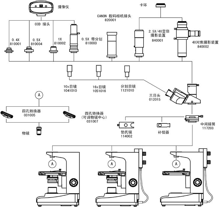
选配件
| 名称 | 类别/技术参数 | 编号 |
| 目镜 | 大视野 WF16X(Φ11mm) | 1051016 |
| 物镜 (中心可调) | 无应力平场消色差物镜(盖玻片:0.17mm) PL 20X/0.40 | 2810320 |
| 无应力平场消色差物镜(盖玻片:0.17mm)PL 100X/1.25 (油,弹簧) | 2810311 | |
| 无应力平场消色差物镜(无盖玻片) PL L 20X/0.40 | 2850320 | |
| 无应力平场消色差物镜(无盖玻片) PL L 50X/0.70 | 2850350 | |
| 无应力平场消色差物镜(无盖玻片)PL L 80X/0.80 | 2850380 | |
| 无应力平场消色差物镜(干式) (无盖玻片) PL L 100X/0.85 (弹簧) | 2850311 | |
| 转换器 | 四孔(外向式滚珠内定位),可调节物镜中心 | 031007 |
| 移动尺 | 移动范围:30mmX25mm | 116202 |
| CCD接头 | 0.4X | 810001 |
| 0.5X | 810004 | |
| 1X | 810002 | |
| 0.5X带分划尺,格值0.1mm/格 | 810003 | |
| 摄像仪 | DV-1带USB和Video输出 | 800001 |
| DV-2带USB输出 | 800003 | |
| DV-3带Video输出 | 800005 | |
| 摄影装置 | 2.5X/4X变倍摄影装置带10X取景目镜 | 840001 |
| 4X对焦摄影装置 | 840002 | |
| MD卡环 | 840003 | |
| PK卡环 | 840004 | |
| 数码相机接头 | CANON (A610,A620,A630,A640) | 820001 |

