
L2030系列透反射正置金相显微镜是适用于对不透明物体或透明物体的显微观察。本仪器配置落射与透射照明系统、长距平场消色差物镜(无盖玻片)、大视野目镜和内置偏振观察装置,具有图像清晰、衬度好,操作方便等特点,是生物学、金属学、矿物学、精密工程学、电子学等研究的理想仪器。适用于学校、科研、工厂等部门使用。
性能特点▲配置大视野目镜和长距平场消色差物镜(无盖玻片),视场大而清晰。
▲粗微动同轴调焦机构,粗动松紧可调,带锁紧和限位装置,微动格值:2μm。
▲配置落射与透射两套照明系统,能分别对不透明物体或透明物体进行显微观察。
▲6V20W卤素灯,亮度可调。
▲三目镜筒,可自由切换正常观察与偏光观察,可进行100%透光摄影。






标准配置
| 型号 | L2030A | L2030B |
| 目镜 | 大视野WF10X(Φ18mm) | |
| 物镜 | 长距平场消色差物镜(无盖玻片)PL 5X/0.12 | 长距平场消色差物镜(无盖玻片)PL 5X/0.12 |
| 长距平场消色差物镜(无盖玻片)PL L10X/0.25 | 长距平场消色差物镜(无盖玻片)PL L10X/0.25 | |
| 长距平场消色差物镜(无盖玻片)PL L40X/0.60 | 长距平场消色差物镜(无盖玻片)PL L20X/0.40 | |
| 长距平场消色差物镜(无盖玻片)PL L60X/0.75 (弹簧) | 长距平场消色差物镜(无盖玻片)PL L40X/0.60 | |
| 长距平场消色差物镜(无盖玻片)PL L60X/0.75 (弹簧) | ||
| 目镜筒 | 三目镜,倾斜30˚,(内置检偏振片,可进行切换) | |
| 落射照明系统 | 6V 20W卤素灯,亮度可调 | |
| 落射照明器带视场光栏、孔径光栏、起偏振片,(黄,蓝,绿)滤色片和磨砂玻璃 | ||
| 调焦机构 | 粗微动同轴调焦, 微动格值:2μm,粗动松紧可调,带锁紧和限位装置 | |
| 转换器 | 四孔(内向式滚珠内定位) | 五孔 (内向式滚珠内定位) |
| 载物台 | 双层机械移动式(尺寸:185mmX140mm,移动范围:75mmX50mm) | |
| 透射照明系统 | 阿贝聚光镜 NA.1.25 可上下升降 | |
| 蓝滤色片和磨砂玻璃 | ||
| 集光器, 卤素灯适用 | ||
| 6V 20W 卤素灯,亮度可调 | ||
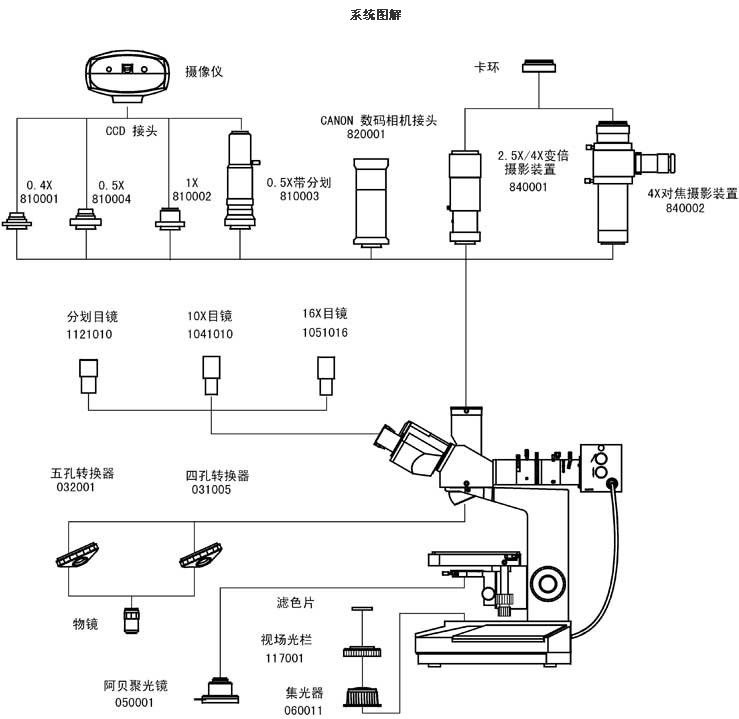
选配件
| 名称 | 类别/技术参数 | 编号 |
| 目镜 | 大视野 WF16X(Φ11mm) | 1051016 |
| 分划 10X(Φ18mm) 格值0.1mm/格 | 1121010 | |
| 物镜 | 长距平场消色差物镜(无盖玻片) PL L 50X/0.70 | 2250150 |
| 长距平场消色差物镜(无盖玻片) PL L 80X/0.80 | 2250180 | |
| 长距平场消色差物镜(无盖玻片) PL L 100X/0.85 (弹簧) | 2250111 | |
| 平场消色差物镜(无盖玻片) PL 100X/1.25 (弹簧,油) | 2240111 | |
| 滤色片 | 绿滤色片 | 115002 |
| 黄滤色片 | 115003 | |
| CCD接头 | 0.4X | 810001 |
| 0.5X | 810004 | |
| 1X | 810002 | |
| 0.5X带分划尺,格值0.1mm/格 | 810003 | |
| 摄像仪 | DV-1带USB和Video输出 | 800001 |
| DV-2(USB输出130/300/500/1000万像素) | 800003 | |
| DV-3带Video输出 | 800005 | |
| 摄影装置 | 2.5X/4X变倍摄影装置带10X取景目镜 | 840001 |
| 4X对焦摄影装置 | 840002 | |
| MD卡环 | 840003 | |
| PK卡环 | 840004 | |
| 数码相机接头 | CANON(A610,A620,A630,A640) | 820001 |

