
L3230DIC微分干涉相衬显微镜适用于对多种物体的显微观察。配置落射DIC观察系统与透射照明系统、无限远长距平场消色 差物镜、大视野目镜和偏光观察装置,具有图像立体感且清晰、造型美观,操作方便等特点,是生物学、金属学、矿物学、精密工程学、电子学等研究的理想仪器。
性能特点
★ 采用优良的无限远光学系统,可提供**的光学性能。
★紧凑稳定的高刚性主体,充分体现了显微操作的防振要求。
★ 符合人机工程学要求的理想设计,使操作更方便舒适,空间更广阔。
★内置式可切换偏光观察装置,起偏器可360°旋转。
★微分干涉相衬观察时图像清晰,干涉色均匀,具有较强的浮雕感。







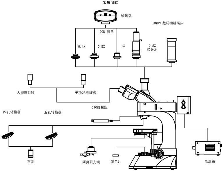
标准配置
| 型号 | L3230DIC |
| 目镜 | 大视野无色差 SWF10X(Φ22mm) |
| 物镜 | 无限远长距平场消色差物镜(无盖玻片) |
| LMPlan5X/0.12 DIC工作距离:15 mm | |
| LMPlan10X/0.3DIC 工作距离:10.5 mm | |
| LMPlan20X/0.4DIC 工作距离:4.5mm | |
| PL L40X/0.60 工作距离:3.98 mm | |
| DIC 观察系统 | 适用于 LMPlan5X/LMPlan10X/LMPlan20X DIC物镜 |
| 目镜筒 | 三目镜, 30˚倾斜,双目镜组 |
| 落射照明系统 | 12V 50W 卤素灯,亮度与灯炮位置可调 |
| 内置视场光栏、孔径光栏、(黄、蓝、绿、磨砂玻璃)滤色片转换装置,推拉式检偏器与起偏器 | |
| 调焦机构 | 粗微动同轴调焦, 微动格值:2μm,带锁紧和限位装置 |
| 转换器 | 五孔(内向式滚珠内定位) |
| 载物台 | 双层机械移动式(尺寸:210mmX140mm,移动范围:63mmX50mm) |
| 透射照明系统 | 阿贝聚光镜 NA.1.25 可上下升降 |
| 蓝滤色片和磨砂玻璃 | |
| 集光器,卤素灯照明适用(内置视场光栏) | |
| 12V 30W 卤素灯,亮度可调 |
选配件
| 名称 | 类别/技术参数 | 编号 |
| 目镜 | 分划目镜10X(视场数Φ22mm) 格值0.10mm/格 | |
| 物镜 | 无限远长距平场消色差物镜(无盖玻片) | |
| PL L50X/0.70(弹簧) 工作距离:3.68mm | 2260150 | |
| PL L60X/0.70(弹簧) 工作距离:2.08mm | 2260160 | |
| PL L80X/0.80(弹簧) 工作距离:1.25 mm | 2260180 | |
| PL L100X/0.85(弹簧干式) 工作距离:0.40mm | 2260111 | |
| 转换器 | 四孔(内向式滚珠内定位) | 032001 |
| 滤色片 | 绿滤色片 | 115002 |
| 黄滤色片 | 115003 | |
| CCD接头 | 0.5X | 810004 |
| 1X | 810002 | |
| 0.5X带分划尺,格值0.1mm/格 | 810003 | |
| 摄像仪 | DV-1 Video输出 & USB输出 | |
| DV-130 / 300 / 500 /1000 带USB输出 | ||
| DV-3带Video输出(380/520 电视线) | ||
| 数码相机接头 | CANON(EF) NIKON( F) | 820001 |

