一、产品简介
SPE45泵头是要求使用单泵头的工业处理和生产应用的理想选择。这款强劲三滚轮泵头可产生的流速高达21L/min。软管易安装,配合4.8mm壁厚的软管可达到更高的压力和吸程,更善于处理高粘度流体,所使用泵管寿命更长。可调节定位系统可将泵管安全定位,防止泵管在泵内活动,不需额外的接头。
二、性能特点
1、适用4.8mm壁厚软管,最大能提供21L/min的流量。
2、多种安装方式:可以直立或者侧立安装在驱动器上。
3、C型设计,泵管从泵头的同侧进出。
4、可调式卡管结构,能够适用各种外径的软管。
5、主体采用聚苯硫醚(PPS)材料,耐高温、耐化学腐蚀(尤其在抗有机溶剂等强化学腐蚀方面表现优异),尺寸稳定,流量精准并可以长期大负荷运转。
6、滚轮装置采用304不锈钢材质,具有很好的抗腐蚀性,不生锈,适合复杂环境和卫生等级要求较高的场合。
三、技术参数
| 泵头 型号 | 软管 型号 | 毫升/转 | 参考流量(mL/min) (转速0.1-650rpm) | 软管 | 软管承压Mpa | 外壳 | 滚轮装 置材料 | 滚轮 数量 | 重量 | |
| 壁厚 | 间隔 | 连续 | 材料 | |||||||
| SPE45 | 70# | 12.3 | 1.35-8800 | 4.8mm | 0.25 | 0.4 | 聚苯硫醚PPS | 304不锈钢 | 3 | 3.5kg |
| 88# | 26.2 | 2.87-18700 | ||||||||
| 89# | 29.2 | 3.23-21000 | ||||||||
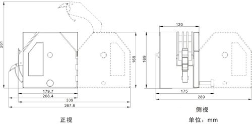
四、泵头尺寸
