广东科晶智达科技有限公司
小型超高真空插板阀

查看原图
关注:2403
产地:广东
配件产地:国产配件

产品型号

小型超高真空插板阀

主要用途

此系列阀门分为手动、气动两种驱动方式,在结构设计上合理,在外形上美观,并具有动作平稳、体积小、使用可靠、密封性能好和寿命长等优点,能广泛应用于超高真空设备中

产品特点

轴封为波纹管密封,无润滑剂设计;

阀体材料为不锈钢,整体刚性好,体积小,外形美观;

采用双导轨轴承滚轮机构,运动平稳;阀板内整体式结构,支撑力均匀。

主要参数

适用范围

1×10-6Pa~1.2×105Pa
打开时插板上的压差:

≤3×103Pa任意方向

阀体和阀座漏率

1.3×10-7Pa·L·s-1

建议**维修前循环次数:

10,000次

阀体烘烤温度:

打开时≤200℃;关闭时≤150℃

安装位置:

任意

电源:

-气动驱动:交流220V 50Hz,6W或直流24V,3W

(除了上述规格外,特殊规格可定做)

压缩空气(只适用于气动)

0.4~0.7MPa

阀门开启或关闭时间

-气动驱动: ≤3s;

阀门位置指示

-手动驱动:带有启闭位置指示(机械式)

-气动驱动:带有启闭位置指示开关(磁性开关)

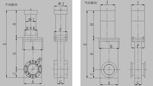
规格尺寸

产品发布日期:2026.03.31
广东科晶智达科技有限公司