
XDS-2倒置生物显微镜配置长工作距离平场消色差物镜与大视野目镜与旋转摆入摆出式聚光镜,可拆卸式机械移动载物装置可以满足不同高度培养皿观察的需要。产品结构紧凑,操作部位设计合理,使观察者在操作仪器中感到轻松、舒适。产品适合于对细胞组织,透明液态组织的显微观察,也可以对培养皿中的培养组织进行动态显微观察。可应用于科研所、高等院校、医疗卫生、检验检疫、农牧乳业等部门。






标准配置
| 型号 | XDS-2 |
| 目镜 | 大视野WF10X(Φ20mm) |
| 物镜 | 长距平场消色差物镜 PL L 10X/0.25 |
| 长距平场消色差物镜PL L 25X/0.40 | |
| 长距平场消色差物镜 PL L 40X/0.60 | |
| 长距离平场消色差相衬物镜PL L 10X/0.25 PHP2 | |
| 目镜筒 | 三目镜(倾斜30˚,可100%通光摄影) |
| 调焦机构 | 粗微动同轴调焦,粗动松紧可调,带锁紧和限位装置板,微动格值:2μm. . |
| 转换器 | 四孔(滚珠内定位) |
| 载物台 | 双层机械移动式(尺寸:224mmX208mm,移动范围:112mmX79mm) |
| 标本架 | 适合放置Φ68mm或77mmX29mm培养器皿 |
| 适合放置82mmX57mm培养器皿 | |
| 适合放置128mmX85mm的96孔培养器皿 | |
| 滤色片 | 蓝滤色片 |
| 绿滤色片 | |
| 磨砂玻璃 | |
| 拉板式相衬装置 | 对中望远镜 |
| 10X拉板式相衬环板 | |
| 聚光镜升降可调, NA.=0.4,工作距离:50mm | |
| 光源 | 6V 30W卤素灯,亮度可调 |
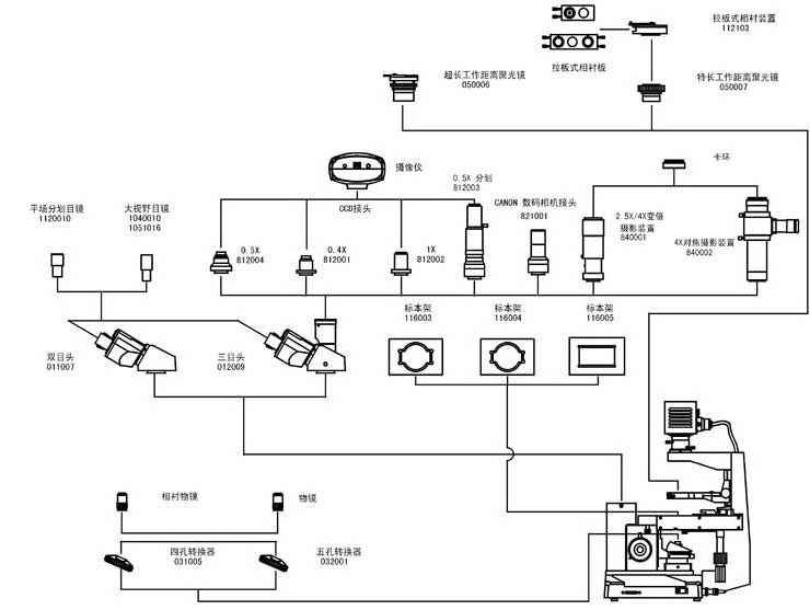
选配件
| 名称 | 类别/技术参数 | 编号 NO. | |
| 目镜 | 大视野WF16X(Φ11mm) | 1051016 | |
| 分划 10X(Φ20mm),格值0.1mm/格 | 1120010 | ||
| 转换器 | 五孔(滚珠内定位) | 032001 | |
| 聚光镜 | 超长工作距离,带滤色片座,工作距离:70mm | 050006 | |
| 样本适配器 | 孔座最大直径 | ||
| 孔座最大 | |||
| 孔座最大尺寸51.5X | |||
| 孔座最大尺寸66.5X | |||
| 孔座最大尺寸76.6X | |||
| 滤色片 | 黄滤色片 | 115003 | |
| 拉板式相衬装置 | 物镜 | 长距离平场消色差相衬物镜PL L 25X/0.40 PHP2 | 2430125 |
| 长距离平场消色差相衬物镜PL L 40X/0.60 PHP2 | 2430140 | ||
| 拉板式相衬环板 | 25X/40X | 112005 | |
| CCD接头 | 0.4X | 812001 | |
| 0.5X | 812004 | ||
| 1X | 812002 | ||
| 0.5X带分划尺,格值0.1mm/格 | 812003 | ||
| 摄像仪 | DV-1(带USB和Video输出 | ||
| DV-130 / 300 / 500 / 1000(带USB输出 | |||
| DV-380 / 520(带Video输出 | |||
| 数码相机接头 | CANON数码相机接头(A610,A620,A630,A640) | 821001 | |
| 摄影装置 | 2.5X/4X变倍摄影装置带10X取景目镜 | 840001 | |
| 4X对焦摄影装置 | 840002 | ||
| MD卡环 | 840003 | ||
| PK卡环 | 840004 | ||

