气缸开关MFH213
关注:2051
型号:MFH213
品牌:IFM
产地:德国
产品别名:气缸开关MFB3002BBPKG/B/AM/500/0,21M
技术参数:
| 产品特征 |
|---|
| 电气设计 | PNP |
| 输出功能 | 常开 |
| 感应距离 [mm] | 1.8 |
| 外壳 | 螺纹结构 |
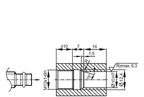
| 尺寸 [mm] | M12 x 1 / L = 41 |
| 应用 |
|---|
| 特殊的性能 | 金属外壳 |
| 应用 | 液压油缸 |
| 介质 | 检测黑色金属 |
| 爆破压力最小值 [bar] | 2000 |
| 抗压强度 [bar] | 500 |
| 电气数据 |
|---|
| 工作电压 [V] | 10...36 DC |
| 电流损耗 [mA] | < 23 |
| 防护等级 | III |
| 反相保护 | 有 |
| 输出 |
|---|
| 电气设计 | PNP |
| 输出功能 | 常开 |
| 开关量输出DC电压降最大值 [V] | 1.6 |
| 漏电流最大值 [mA] | 0.1 |
| 开关量输出DC的持续电流负载 [mA] | 200 |
| 开关频率DC [Hz] | 1000 |
| 短路保护 | 有 |
| 过载保护 | 有 |
| 监控范围 |
|---|
| 感应距离 [mm] | 1.8 |
| 精度/偏差 |
|---|
| 迟滞 [Sr的百分比] | < 15 |
| 开关点偏移 [Sr的百分比] | 10 |
| 重复精度 [Sr的百分比] | 10 |
| 工作条件 |
|---|
| 压力峰值 [bar] | 1000 |
| 环境温度 [℃] | -25...85 |
| 外壳防护等级 | IP 65; IP 67 |
| 认证/测试 |
|---|
| EMC电磁兼容 | | EN 61000-4-2 ESD | 4 kV CD / 8 kV AD | | EN 61000-4-3 HF电磁场辐射 | 10 V/m | | EN 61000-4-4 Burst | 2 kV | | EN 61000-4-6 射频场感应的传导抗扰度 | 10 V | | EN 55011 | 等级B | | DIN ISO 11452-5 | 100 V/m |
|
| 抗振强度 | | EN 60068-2-6 Fc | 20 g 50个扫描周期/频率; 每3个轴每分钟一个八度 / 10...3000 Hz -20...50 ℃ |
|
| 抗冲击 | | EN 60068-2-27 Ea | 100 g 11 ms半正弦; 3个坐标轴中每个方向3个冲击 / -40...85 ℃ |
|
| 持续抗冲击性 | | EN 60068-2-27 Ea | 40 g 6 ms; 3个坐标轴中每个方向4000个冲击 / -20...50 ℃ |
|
| MTTF [年] | 1934 |
| 机械技术数据 |
|---|
| 重量 [g] | 30.8 |
| 外壳 | 螺纹结构 |
| 安装 | 齐平安装 |
| 尺寸 [mm] | M12 x 1 / L = 41 |
| 螺纹代号 | M12 x 1 |
| 原材料 | 外壳: 特种钢; O形环: FPM; 支撑环: PTFE |
| 开关动作寿命 | 1亿 |
| 拧紧扭矩 [Nm] | < 25 |
| 金属外壳 | 有 |
| 显示器/操作件 |
|---|
| 显示 | |
| 附件 |
|---|
| 供货范围 | |
| 注释 |
|---|
| 包装单位 | 1 件 |
| 电气连接 |
|---|
| 接口 | 电缆: 0.21 m, PUR |
| 图表 |
|---|
| 安装 |  |
|---|
产品发布日期:2026.04.15